IMPORTANT
- Actual clamping takes place only when the Cylinder has completed its 90 swing stroke.
- Clamping allowed only in clamping stroke not in swing stroke.
- Do not exceed max. flow rate. If flow rates are exceeded, swing cylinder indexing mechanism may be permanently damaged.
DESCRIPTION
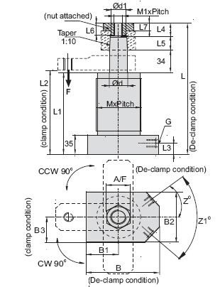
These Hydraulic Clamping elements are pull type cylinder, wherein a part of the total stroke is used to swing the piston (stroke to swing). The shorter part is available as clamping stroke. These swing clamps are having a special feature during the rotation (swing, it covers 20mm stroke and thereafter travels vertically for 10mm clamping stroke. The total stroke is 30mm.
NOTE
- Refer general design notes before selection & use.
- CW Model dimensions are same asCCWmodel dimensions.
- Refer accessories sheet page No. X1 & X2 for Clamp arm and ring nut details.
- Given forces are for the standard arm lever. Pressure and flow should be reduced if clamp arm length is increased (Refer Graph sheet No. G1).
- Models with overload protection are available as special. Dimensions are different. Contact Quicloc.
- Ordering specification for seal kit. Add prefix "SK" to the model Number.
FEATURES
- Min./ Max. Operating Pressure 10/250 bar.
- Large Clamping range.
- Total stroke 30 mm. Swing stroke 20 mm. Vertical stroke 10 mm.
- Arm swing will be 90 o ± 2o
- 360o adjustable arm location.
IMPORTANT
- If the system flow rate exceeds, use one way flow control valve in the upstream hydraulic lines.
- Length of Clamping arm, weight of Clamping arm, max. Permissible flow rate and working pressure are all important. Refer graphs for arm length and working pressure.
- Length of Clamping arm, weight of Clamping arm, max. Permissible flow rate and working pressure are all important. Refer graphs for arm length and working pressure.