Slide Clamps

Slide Clamps

DESCRIPTION

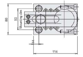
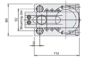
This clamping device has an arm which slides forward and then swings on to the work to clamp. The arm slides by about 26mmand swings by about 3-4 mmto clamp the work. It generates a clamping force of about 17 kN at 200 bar. During declamping the arm lifts and retracts.

NOTE

  • The right to modification for technical improvements is reserved.
  • Ordering specification for seal kit. Add prefix "SK" to the model Number.

FEATURES

  • Compact design with high clamping force.
  • Ideally suited where arm hinders handling of workpiece.
  • Max. Operating Pressure 200 bar.

98111-82148