IMPORTANT
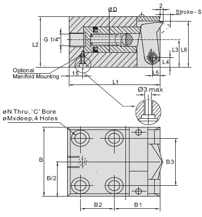
DESCRIPTION : These Low block cylinders are suitable for clamping work pieces from the sides where clamping is not possible from top. Hydraulically operated piston pushes the pivoted lever against the work piece. By positioning the pivot lever it is possible to have a downward force in addition to horizontal push force to clamp the work piece firmly on to workrest. This prevents lifting of component.
NOTE
FEATURES
Important
Keep back pressure in the system and in the line to minimum for smooth working of cylinder.
IMPORTANT
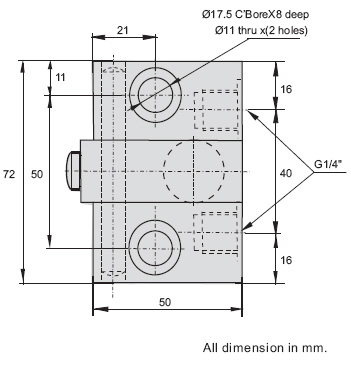
DESCRIPTION : This type of Low block cylinders are suitable for clamping work pieces from the sides where clamping is not possible from top. Hydraulically operated piston pushes the pivoted lever against the work piece. By positioning the pivot lever it is possible to have vertical push force to clamp the work piece firmly on to workrest.
NOTE
FEATURES
98111-82148