Important
DESCRIPTION
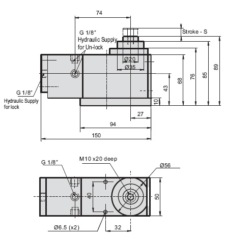
This is hydraulically operated wedge locking type Support Jack, which gives positive support to the plunger and locking on actuation. This can bemounted directly in the fixtures. It is possible to get initial surface contact of work piece within variations of +/- 1.6mm. These job variations are taken care of during positive supporting and locking. As the hydraulic pressure increases the plunger is locked. When the pressure is released, the internal parts breath via vent. The internal thread on the plunger is used for additional work support buttons. The bolt hole to be plugged when not used.
FEATURES
NOTE
98111-82148